尊敬的患者及家属:
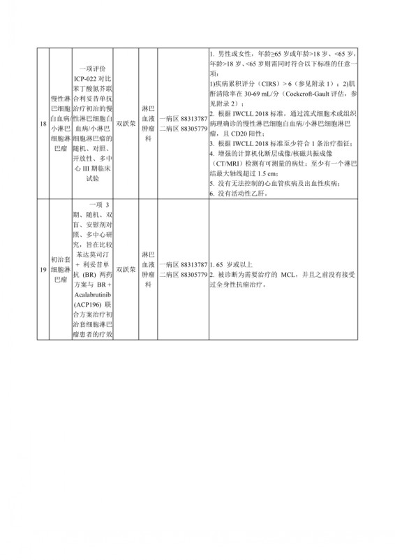
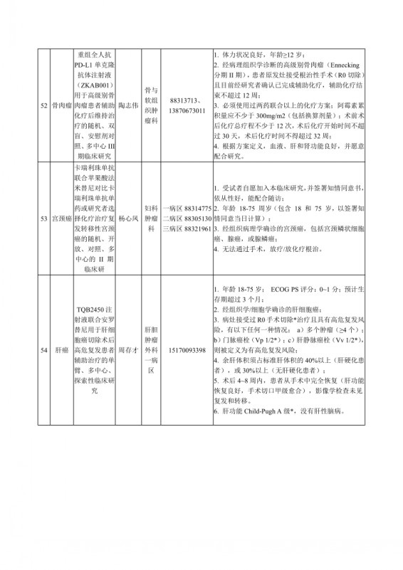
江西省肿瘤医院2022年8月正在招募的临床试验项目信息如下,表格中仅列举主要入选标准,如您有意向参加,请联系对应科室或病区研究医生,他(她)会向您详细介绍试验信息并初步判断您是否符合入选标准。在获得您的充分知情同意后,会进行严格筛选,看是否符合入选标准及不符合排除标准。如筛选成功,注册类临床试验项目使用的试验用药物、产生的相关检查检验费用及交通补助由申办者承担;如筛选失败,也不会受到任何不利影响,会根据您的病情建议或给予常规标准治疗,筛选期的相关检查检验费用由申办者承担。对于您的个人信息将遵照国家相关法规要求进行保密。
后续,每月将更新临床试验招募项目信息,敬请关注。



















2013年5月,江西省肿瘤医院获得国家药物临床试验机构资格;2017年5月,通过机构资格复核认定;2018年、2020年分别完成医疗器械及药物临床试验机构备案管理信息平台备案;2021年,建立I期临床试验病房,成立临床医学研究中心,现有肿瘤、血液、骨科、中医肿瘤、放射治疗、核医学、妇科和I期8个药物临床试验专业。近五年,承担临床试验项目300余项,接受并通过国家局现场核查3次。
江西省肿瘤医院药物临床试验机构办公室联系方式
电话:0791-88331395
邮箱:508057050@qq.com
地址:南昌市北京东路519号住院楼23楼临床医学研究中心
供稿:曾彩雯